SP-05 Bariera ochronna stalowa N2 W6 A – rozstaw słupków co 4,00 m (U-14a)
Tam, gdzie zjazd z jezdni kończy się skarpą, przeszkodą terenową albo obiektem inżynierskim, liczy się przewidywalne zachowanie bariery w uderzeniu. SP-05 (U-14a) to bariera drogowa stalowa o parametrach N2 / W6 / A – dobierana tam, gdzie ważne jest zarówno powstrzymanie pojazdu, jak i pozostawienie miejsca na pracę systemu.
Konstrukcja z stali S235JR oraz cynkowanie ogniowe (PN-EN ISO 1461:2011) wspierają trwałość w całorocznej eksploatacji. Dla zimowego utrzymania istotna jest także odporność na usuwanie śniegu: klasa 3.
Ważne w projekcie: W6 oznacza klasę szerokości pracującej – warto zostawić rezerwę na pracę bariery w pasie drogowym, szczególnie przy skarpach, obiektach i przeszkodach punktowych.
- N2 (poziom powstrzymywania): stosowany w konfiguracjach, gdzie potrzebne jest systemowe ograniczenie skutków wypadnięcia pojazdu z jezdni.
- A (intensywność zderzenia): ukierunkowane na niski poziom oddziaływań na pasażerów.
- W6 (szerokość pracująca): wymaga pozostawienia miejsca na odkształcenie bariery w zderzeniu.
- Ugięcie dynamiczne: 1,7 m – praktyczny punkt odniesienia przy analizie skrajni i przeszkód w sąsiedztwie bariery.
- Wtargnięcie pojazdu (VI): NPD (nie określono).
- Wytrzymałość na usuwanie śniegu: klasa 3 – istotne przy zimowym utrzymaniu.
Cena dotyczy 1 metra bieżącego dla odcinków standardowych z prowadnicą 4 m. Odcinki niestandardowe są liczone indywidualnie.
- słupek końcowy do każdego odcinka – 1 szt.
- opcjonalnie łącznik ukośny – 1 lub 2 szt.
- zakończenie czołowe (tzw. „barany”) – 1 lub 2 szt.
- Prowadnica typu B (opcjonalnie typ A – na zamówienie)
- Słupek (konfiguracja odcinków standardowych: rozstaw co 4,00 m)
- Wspornik prowadnicy dopasowany do typu prowadnicy (B/A)
Bariera SP-05 (U-14a) jest projektowana tak, aby w uderzeniu przejąć energię i ukierunkować pojazd, ograniczając ryzyko kontaktu z przeszkodami punktowymi. Parametry N2 / W6 / A ułatwiają dobór rozwiązania do miejsc, gdzie trzeba pogodzić wymagania powstrzymywania z koniecznością pozostawienia rezerwy na pracę bariery.
Wpływ na bezpieczeństwo ruchu drogowego: poprawnie dobrana i zamontowana bariera stalowa zmniejsza skutki wypadnięcia z jezdni oraz ryzyko wtórnych zderzeń – szczególnie na łukach, nasypach, przy przepustach i dojazdach do obiektów inżynierskich.
Cynkowanie ogniowe wg PN-EN ISO 1461:2011 wspiera długą żywotność elementów stalowych w środowisku drogowym (wilgoć, zabrudzenia, okresowe zasolenie). Dodatkowo klasa 3 odporności na usuwanie śniegu jest ważna tam, gdzie w pobliżu bariery pracują pługi w trakcie zimowego utrzymania.

W6 oznacza klasę szerokości pracującej, czyli przestrzeń potrzebną na odkształcenie w zderzeniu. Dodatkowo pomocnym punktem odniesienia jest ugięcie dynamiczne 1,7 m – szczególnie przy skarpach, obiektach i przeszkodach punktowych.
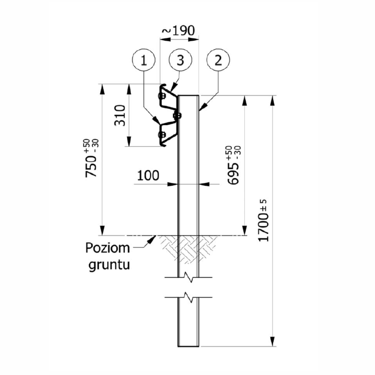
Rozstaw słupków jest elementem konfiguracji systemowej – wpływa na geometrię oraz zachowanie bariery podczas uderzenia. Wersja 4,00 m odpowiada odcinkom standardowym i wspiera powtarzalność montażu na długich ciągach.
Cena dotyczy 1 mb odcinków standardowych. Elementy domykające (np. słupek końcowy, zakończenie czołowe) oraz opcjonalne łączniki dobiera się do konkretnej konfiguracji odcinka.
Dla tego systemu istotna jest odporność na usuwanie śniegu: klasa 3, szczególnie w lokalizacjach, gdzie w pobliżu bariery pracują pługi w trakcie zimowego utrzymania.
