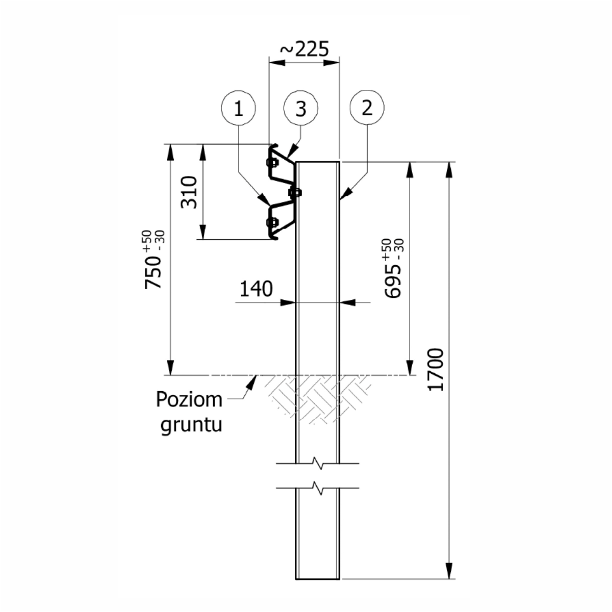
SP-04 bariera ochronna N2 W4 A – rozstaw słupków co 2,00 m (U-14a), system wg PN-EN 1317
Na nasypach, przy skarpach, przepustach oraz w pobliżu przeszkód stałych liczy się jedno: żeby pojazd po błędzie kierowcy nie opuścił korony drogi. SP-04 (U-14a) – bariera ochronna N2 W4 A to system energochłonny projektowany z myślą o przewidywalnym zachowaniu w zderzeniu i skutecznym prowadzeniu pojazdu wzdłuż bariery.
Dzięki rozstawowi słupków co 2,00 m odcinek tworzy gęstą, stabilną linię zabezpieczenia. To istotne tam, gdzie wymagana jest precyzyjna geometria i kontrolowana praca bariery – szczególnie przy krótszych przejściach, łukach i odcinkach o ograniczonej rezerwie terenu.
- System: SP-04 (U-14a) – bariera energochłonna wg PN-EN 1317
- Klasy: N2 / W4 / A
- Rozstaw słupków: 2,00 m
- Ugięcie dynamiczne (D): 1,16 m
- Trwałość: stal S235JR + ocynkowanie ogniowe PN-EN ISO 1461:2011
- Dane systemowe: długość badanego systemu 60 m • wytrzymałość na śnieg klasa 3 • VI: NPD
- N2 – poziom powstrzymywania, czyli zdolność systemu do zatrzymania i ukierunkowania pojazdu w badaniach zderzeniowych.
- W4 – szerokość pracująca (strefa pracy bariery w zderzeniu), istotna przy doborze miejsca montażu i rezerwy terenu.
- A – klasa intensywności zderzenia (ASI), związana z obciążeniami działającymi na pasażerów podczas zdarzenia.
Poprawnie dobrana i zamontowana bariera N2/W4 pomaga ograniczyć skutki wypadnięcia z jezdni, zmniejsza ryzyko uderzenia w przeszkody punktowe (np. słupy, podpory, mury oporowe) i stabilizuje tor ruchu pojazdu po kontakcie z barierą – zgodnie z założeniami projektu odcinka.
Bariera ochronna SP-04 N2 W4 A jest dobierana tam, gdzie potrzebne jest połączenie poziomu powstrzymywania N2 z szerokością pracującą W4 – czyli praktycznym kompromisem między ochroną a wymaganiami przestrzennymi. Gęsty rozstaw słupków 2,00 m wspiera stabilność geometrii odcinka w trudniejszych miejscach.
- odcinki dróg na nasypach i przy skarpach,
- okolice podpór mostowych, murów oporowych i przeszkód stałych,
- łuki poziome, dojazdy do obiektów inżynierskich,
- odcinki wskazane w analizach BRD jako podwyższone ryzyko zdarzeń.
- stabilniejsza geometria odcinka (ważne na łukach i krótkich przejściach),
- przewidywalna praca bariery wzdłuż odcinka,
- łatwiejsze prowadzenie linii zabezpieczenia w trudnym terenie,
- dobry wybór, gdy potrzebna jest „gęsta” linia ochrony.
Stal S235JR oraz cynkowanie ogniowe wg PN-EN ISO 1461:2011 wspierają odporność korozyjną w warunkach drogowych. W praktyce oznacza to stabilne parametry eksploatacyjne na odcinkach narażonych na wilgoć, zasolenie i zmienne warunki atmosferyczne.
Wycena i kompletacja odcinka
Cena dotyczy 1 metra bieżącego dla odcinków z prowadnic o długości 4 m. Odcinki niestandardowe są liczone indywidualnie.
- słupek końcowy do każdego odcinka – 1 szt.
- opcjonalnie łącznik ukośny – 1 lub 2 szt.
- zakończenie czołowe (tzw. „barany”) – 1 lub 2 szt.

W projekcie należy uwzględnić pracę bariery w zderzeniu: dla tego systemu podano W4 oraz ugięcie dynamiczne D = 1,16 m. Te wartości pomagają określić bezpieczną odległość od przeszkód za barierą (np. słupów, murów, podpór).
Cena dotyczy 1 mb dla standardowych odcinków z prowadnicą 4 m. Zakończenia, słupki końcowe oraz elementy opcjonalne dobiera się do konfiguracji odcinka.
N2 to poziom powstrzymywania, W4 to szerokość pracująca, a A to klasa intensywności zderzenia wg PN-EN 1317. Parametry odnoszą się do kompletnego, przebadanego systemu oraz prawidłowego montażu odcinka.
