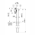
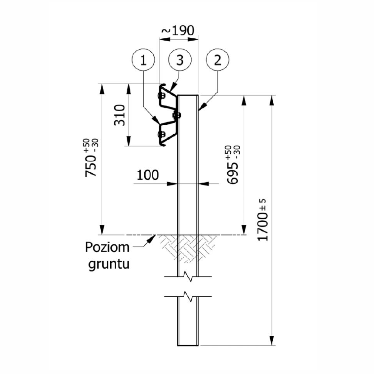
SP-05 bariera ochronna stalowa N2 W2 (U-14a) – rozstaw słupków co 1,00 m
Gdy odcinek bariery ma pracować przewidywalnie (szczególnie przy gęstym rozstawie słupków co 1,00 m), liczy się kompletność systemu: prowadnice, słupki i elementy złączne dobrane do konkretnej konfiguracji. SP-05 (U-14a) to stalowa bariera ochronna o parametrach N2 / W2 / A, przeznaczona do prowadzenia pojazdu wzdłuż bariery i ograniczania skutków zdarzeń na odcinkach podwyższonego ryzyka.
- System: bariera ochronna stalowa (U-14a), konfiguracja SP-05
- Parametry: N2 / W2 / A
- Ugięcie dynamiczne (D): 0,6 m
- Rozstaw słupków: 1,00 m
- Wytrzymałość na śnieg: klasa 3
- Uwaga praktyczna: klasy użytkowe odnoszą się do kompletnego systemu i prawidłowego montażu odcinka.
- N2 – poziom powstrzymywania, czyli zdolność systemu do zatrzymania i ukierunkowania pojazdu w badaniach zderzeniowych.
- W2 – szerokość pracująca; pomaga określić wymaganą przestrzeń za barierą (strefa pracy podczas uderzenia).
- A (ASI) – intensywność zderzenia; klasa oddziaływania na pasażerów w warunkach badania.
Dodatkowo D=0,6 m (ugięcie dynamiczne) wspiera dobór odległości od przeszkód za barierą i planowanie skrajni bezpieczeństwa.
- Cena dotyczy 1 metra bieżącego standardowego odcinka (prowadnice 4 m).
- Odcinki niestandardowe są liczone indywidualnie.
- Do zakończenia odcinka zwykle dobiera się: słupek końcowy (1 szt. na odcinek) oraz zakończenia czołowe („barany”) 1–2 szt.; łącznik ukośny 1–2 szt. zależnie od geometrii.
SP-05 to konfiguracja systemu bariery ochronnej (U-14a) dobierana tam, gdzie potrzebny jest poziom powstrzymywania N2 przy ograniczonej szerokości pracującej W2. Rozstaw słupków co 1,00 m tworzy gęstą, stabilną linię zabezpieczenia – szczególnie przydatną na krótkich przejściach, łukach i odcinkach o mniejszej rezerwie terenu za barierą.
Parametry użytkowe (N2 / W2 / A oraz D=0,6 m) opisują zachowanie kompletnego systemu w warunkach badań i są wykorzystywane przy doborze rozwiązania w projekcie.
Stal S235JR oraz cynkowanie wg PN-EN ISO 1461:2011 wspierają odporność korozyjną w warunkach drogowych (wilgoć, zabrudzenia, okresowe zasolenie). To istotne, gdy bariera ma zachować ciągłość i powtarzalną pracę przez długi czas.
Bariera ochronna ma zadziałać w sytuacji krytycznej – przejąć energię uderzenia i ograniczyć niekontrolowane przemieszczenie pojazdu poza jezdnię. W praktyce największe znaczenie ma spójna kompletacja odcinka (prowadnice, słupki, zakończenia, elementy złączne) oraz zachowanie geometrii montażu – wtedy system pracuje przewidywalnie i wspiera ograniczanie skutków zdarzeń w rejonach podwyższonego ryzyka.
W projekcie uwzględnia się parametry pracy systemu, w tym W2 oraz ugięcie dynamiczne D=0,6 m. Te wartości pomagają określić rezerwę terenu i skrajnię bezpieczeństwa za barierą.
Rozstaw jest elementem konfiguracji systemowej. Zmiany geometrii (w tym rozstawu) mogą wpływać na zachowanie odcinka, dlatego przyjmuje się montaż zgodny z projektem i założeniami systemu.
Do zakończenia odcinka dobiera się co najmniej słupek końcowy oraz zakończenie czołowe (często 1–2 szt.). W zależności od geometrii odcinka dochodzą łączniki ukośne (1–2 szt.).
